工业控制设备的电源管理核心在于其高效可靠的电源转换模块。
相较于传统的线性稳压器,XBL4015降压型DC/DC转换器通过其拓扑结构能实现高效率的电压转换。
本文推荐专为工业控制电源优化的XBL4015高性能降压型DC/DC转换器,它具备4.5V~36V宽输入电压范围,适应工业现场波动;
采用先进的自适应控制技术,动态响应快,最大5A带载,确保负载突变稳定;转换效率高,最高可达93%,显著降低功耗与发热,提升系统可靠性。
产品概述

XBL4015是一款固定频率为180KHz的PWM降压型DC/DC转换器,能够以高效率、低纹波和优异的线性及负载调节性能驱动5A负载。其设计精简,所需外部组件数量少,简化了使用流程,并且内置频率补偿和固定频率振荡器,使得整个系统设计更为高效与便捷。
产品选用设计优势
高效率与低纹波输出
确保在多种应用场景下提供稳定的电源输出,减少对后续电路的影响。
优异的线性和负载调节性能
能够在输入电压和负载电流变化时,保持输出电压的稳定。
最少外部组件
简化设计,降低系统复杂度和成本
内置频率补偿和固定频率振荡器
减少外部补偿组件,提高系统稳定性,方便客户开发。
应用场景
车载电子设备
消费电子产品
工业设备电源管理
消费电子产品
电池充电器

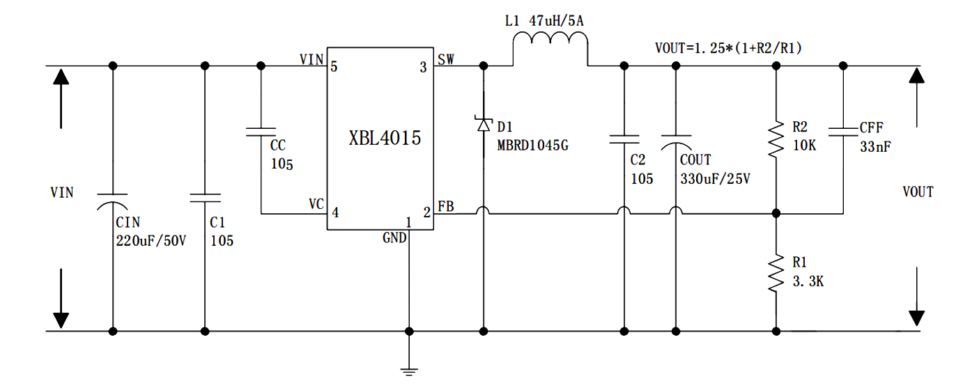
引脚配置
采用TO-263-5L封装,具体引脚定义如下(顶部视图):

-VIN:电源输入引脚,连接输入电源正极。
-VC:控制引脚,用于关断功能。
-SW:开关引脚,连接电感和续流二极管。
-FB:反馈引脚,用于输出电压调节。
-GND:接地引脚,所有电路的公共地。
功能框图

XBL4015包含多个功能模块,如参考电压源、启动和偏置电流源、误差放大器(EA)、反馈(FB)补偿(COMP)等,共同实现高效的降压转换功能。
绝对最大额定值
VIN(输入电压):最大值为36V
VC(控制电压):最大值为36V
工作温度范围:-40°C至+125°C
储存温度范围:-65°C至+150°C
IOUT(输出电流):最大值为5A
5V/5A输出典型应用电路

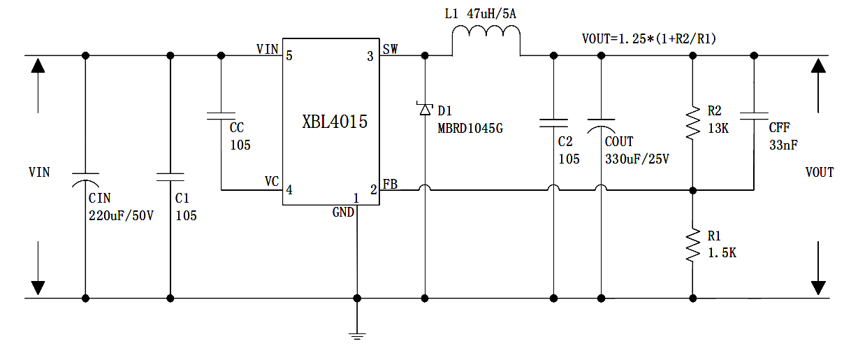
12V/4A降压转换电路典型系统应用

以输出12V/4A为例,提供典型应用电路和效率曲线,能够帮助用户了解在特定输出条件下的性能和设计要求。
-输入电压范围:15V至36V。
-输出电压:12V。
输出效率曲线

总结
综上所述,在工业控制电源应用中,XBL4015凭借其4.5V~36V宽输入电压范围,轻松应对现场电压波动,
大幅提升系统供电稳定性;高达5A的持续输出电流能力,为后级负载提供充沛动力并确保充足设计裕量;
最高93%的转换效率显著降低功耗与使用温度,其优异的热管理能力完美适配工业电源7×24小时不间断运行的严苛需求。