当前位置:首页 > 新闻资讯 > 产品应用
芯伯乐300kHz降压DC/DC转换器XBL4005:4.5V~40V宽电压范围,5A大电流高效输出
发布时间:2025-7-31 15:01:14



图片

产品概述

图片
图片
图片

      XBL4005芯伯乐推出的40V/5A PWM同步降压转换器,采用300kHz固定频率控制,

集成高效功率MOSFET多重保护机制。其0.8V~37V输出及最大100%占空比特性,

可应对工业现场复杂电压场景,显著提升通信基站、车载电力系统的供电可靠性。93%转换效率+短路保护,赋能严苛工况设备零宕机运行。

图片
图片

图片

品选用设计优势

图片

4.5V~40V宽电压输入



宽电压输入具有强大的兼容性,可适应不同电源环境;在系统设计中提供高灵活性,能有效应对电压波动

93%峰值转换效率



能效表现卓越,可显著降低运行中的散热需求,不仅能提高长期使用寿命,还能提升系统整体性能和可靠性

短路保护8A峰值限流



短路保护能在电路短路时迅速切断电源,避免过大的短路电流对电路中的导线、元器件以及设备造成损坏,有效保护电路和设备,同时降低短路带来的危险情况。


图片

应用场景

图片





通信设备



5G微基站电源/光纤收发器





储能系统



锂电池降压转换




应用场景

PLC模块/传感器供电







车载电子

行车记录仪/导航主机供电中枢

图片
图片

引脚配置

图片


TO2635L封装顶视图)


图片


引脚

名称

功能说明

1

GND

低噪声接地:需独立远离续流二极管回路

2

FB

反馈端:外接电阻设定输出电压

3

SW

功率输出:连接电感与续流二极管

4

EN

使能端:>1.2V开启,<0.8V关断(支持逻辑控制)

5

VIN

电源输入:4.5V~40V压,需并联220μF电容滤波

金属基板

SW

     大电流散热通道:须接PCB散热铺铜




图片

功能框图

图片
图片

图片

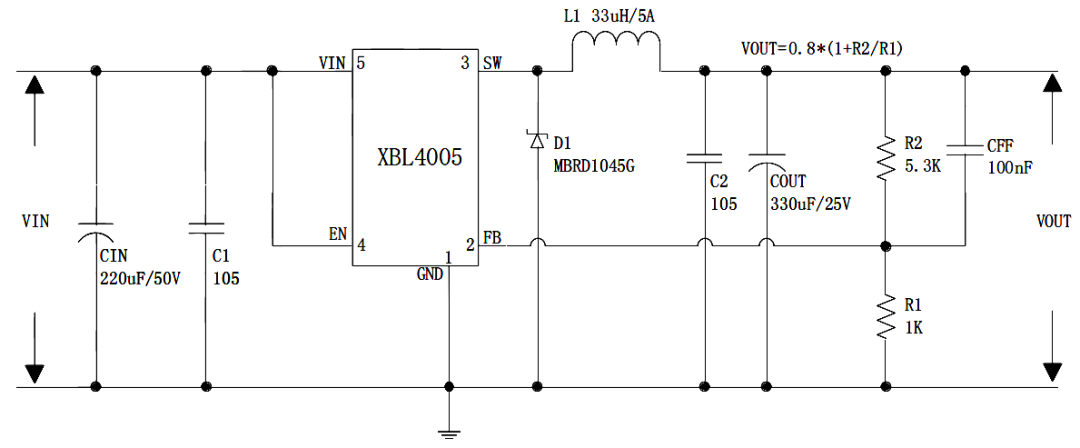
典型应用电路

图片


5V/5A工业传感器供电方案

图片

图片


      此电路为XBL4005典型应用电路,输入电压经CIN(220μF/50V)滤波后接入XBL4005芯片的VIN引脚,芯片通过内部电路控制SW引脚的开关动作,搭配电感L1(33μH/5A)、二极管D1、输出电容COUT(330μF/25V)实现升压功能,输出电压VOUT由反馈电阻R1和R2分压后反馈至FB引脚,通过公式VOUT=0.8*(1+R2/R1)设定,同时具备过流、过热等保护功能。



图片

效率曲线图

图片
图片

图片


图片

总结

图片
图片
图片

      在电源管理领域,芯伯乐XBL4005以其出色的性能和广泛的应用前景脱颖而出。

这款300kHz降压DC/DC转换器4.5V~40V宽电压范围内能实现5A大电流高效输出,

为工程师提供了强大的电源管理解决方案。 最高93%的峰值转换效率,有效降低了散热需求

延长使用寿命并提升系统可靠性。同时,具备短路保护8A峰值限流热关断功能,全方位保障电路安全运行。

图片




推荐资讯

深圳市芯伯乐电子有限公司 版权所有 粤ICP备19007470号-1
Home

首页

Products

产品

Phone

电话

Contact Us

关于