在工业控制、楼宇自动化、电机驱动及数据采集等应用中,RS485总线以其长距离传输、抗干扰能力强及支持多点通信的优势,长期占据主导地位。而一颗稳定、高速、兼容性强的收发器芯片,则是保证总线通信质量的核心。
芯伯乐(XBLW)的XBLWSN75176B/SN65176B差分总线收发器。该芯片专为多点数据传输设计,完全符合EIA标准RS485协议,并兼容RS422协议。


l 宽共模范围,强抗干扰能力
SN75176B/SN65176B支持7V至+12V的扩展共模电压范围。显著提升了系统在恶劣工业环境中的可靠性。
l 单+5V供电,高速传输
芯片采用单一+5V电源供电,集成度高,使用方便。其驱动器的传播延迟仅为22ns,能够满足高速数据通信的需求。
l 多点通信能力
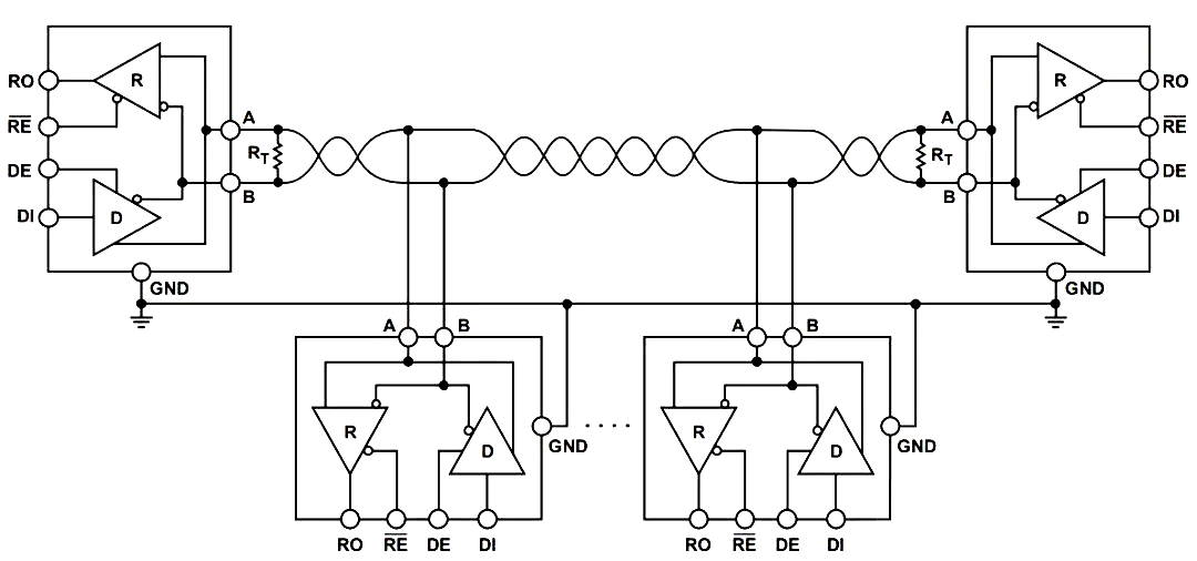
该器件的驱动器输出和接收器输入的组合阻抗小于一个RS485单位负载,一条总线上最多允许挂载多达32个收发器,非常适合复杂的节点网络。
l 完善的保护机制
热关断保护:当总线发生冲突或短路导致片内功耗过大时,热关断电路会强制驱动器输出进入高阻抗状态,有效防止器件损坏。
失效安全设计:接收器具有典型的70mV迟滞,并且当输入端开路时,输出呈高阻抗状态,提高了信号的稳定性。
l 低功耗与灵活关断
无论是在驱动器三态模式下,还是在器件断电状态下,其总线引脚在整个共模范围内均呈现高阻抗,这允许总线上未使用的设备完全断电,从而降低系统整体功耗。

XBLWSN75176B/SN65176B系列提供DIP8和SOP8两种封装形式,以满足不同设计需求:
产品型号 | 封装类型 | 包装方式 | 包装数量 |
SN65176BN | DIP8 | 管装 | 2000Pcs/Box |
SN65176BDR | SOP8 | 编带 | 2500Pcs/Reel |
SN75176BN | DIP8 | 管装 | 2000Pcs/Box |
SN75176BDR | SOP8 | 编带 | 2500Pcs/Reel |
>注:SN65176B与SN75176B的主要区别在于工作温度范围。SN65176B支持工业级温度范围(40°C至+105°C),而SN75176B为商用级(0°C至+70°C)。工程师可根据具体应用环境灵活选型。
为了确保器件的长期稳定运行,请务必遵守以下极限参数:
参数 | 符号 | 极限值 | 单位 |
电源电压 | VCC | 7V | V |
控制输入电压 | - | 7V | V |
驱动器输入电压 | - | 7V | V |
驱动器输出电压 | - | +15/-10V | V |
接收器输入电压 | - | +15/-10V | V |
推荐工作条件:
l 电源电压(VCC):4.75V至5.25V
l 总线电压(共模或差模):-7V至+12V
l 工作温度(TA):
SN75176B:0°C至+70°C
SN65176B:40°C至+105°C
对于高速通信而言,时序参数至关重要。以下是部分关键时序(CL=100pF、RLDIFF=60Ω):
l 驱动器传输延迟(tPLH/tPHL):12ns
l 驱动器上升/下降时间(tr/tf):18ns
l 接收器传输延迟(tPHL):30ns
l 接收器使能到输出(tZL/tZH):最快可达11ns
功能逻辑简表
发送模式(Transmitting)

注:当检测到短路或总线争用故障时,热关断保护将启动,X为任意状态。
接收模式(Receiving)

注:接收器具有失效安全设计,开路时输出为高阻,X为任意状态。
XBLWSN75176B/SN65176B凭借其高速率、宽共模范围、强驱动能力以及完善的热保护功能,是一款非常适合工业现场、智能仪表及电机驱动等领域的RS485通信接口芯片。其工业级型号(SN65176B)更是能在40°C至+105°C的严苛环境下稳定工作,为系统设计提供了更高的可靠性保障。