在现代机顶盒的紧凑机身内,一个高效、可靠的电源架构是实现稳定运行的基础。XBL1509作为一款经典的150KHz、3A 降压(Buck)DC/DC转换器,凭借其宽输入范围、高集成度和简易的设计,成为众多电源设计工程师的理想选择。

一、芯片简介:满足多样化供电需求
XBL1509是一款单片集成电路,专为降压型DC/DC转换而设计,无需外接晶体管即可驱动高达3A的负载,极大地节省了电路板空间。它具备逻辑电平控制的关断功能,可实现低功耗待机模式。其内部补偿网络确保了良好的线路和负载调整率,简化了外部设计。该芯片提供固定输出(3.3V, 5V, 12V)和可调输出(1.23V-37V)多种版本,为标准SOP-8或散热增强型ESOP-8封装。

二、核心性能参数
l 输入电压范围:4.5V至40V。此超宽范围使其能轻松适配从4.5V~40V通用适配器等多种输入源,为机顶盒提供了极大的电源兼容性。
l 输出电压:
可调版 (ADJ):通过外部电阻设置,范围 1.23V 至 37V。
固定版:固定档位有3.3V,5V,12V。输出精度在±4%以内。
l 输出电流:持续3A。满足主流机顶盒的峰值电流需求。
l 开关频率:固定150KHz。相比更低频率的芯片,有助于使用体积更小的滤波元件(电感、电容)。
l 关键电气特性:
反馈基准电压 (ADJ版):1.23V (典型值)。
效率:在典型工作条件下效率优异(5V输出时效率达83%),有效降低温升。
静态电流:关断模式下典型值仅50µA,有助于实现低待机功耗。
三、主要特性与优势
1.高度集成:芯片内部集成了开关晶体管,提供完整的降压解决方案,外围电路极其简洁。
2.完善的保护机制:
过热关断:防止芯片因过温损坏。
电流限制:限制输出开关电流,提供过载保护。
3.关断/待机控制:通过EN引脚可实现逻辑电平控制。关断时输入电流极低,便于满足机顶盒的能效标准。
4.内部补偿:简化设计,无需外部补偿网络,确保了在各种工作条件下的稳定性。
四、在机顶盒中的典型应用场景
在机顶盒系统中,XBL1509可灵活应用于不同电压的器件:
l 核心电压转换:将适配器输入的12V电压,高效降为后续器件所需的多种电压。
l 系统电压生成:直接生成3.3V或5.0V(使用固定版),为DDR内存、Flash等外设前端的LDO提供纯净电源供电。
l 二级降压输入:若前端已有初级降压,可用XBL1509进行二次高效降压,为不同负载提供独立、干净的电源。
五、应用方案与电路设计要点
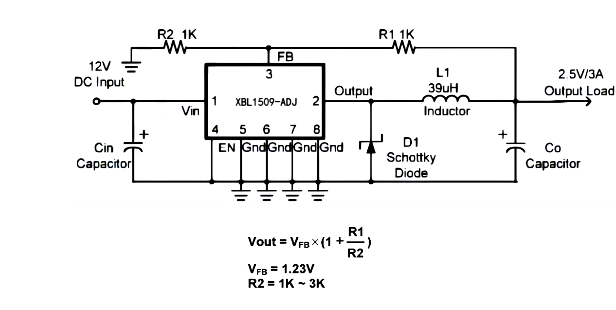
机顶盒电源电路原理图:

设计说明与关键元件选型:
1. 电感 (L1):
选型依据:根据输入电压、输出电压和负载电流选择。输入40V输出3.3V/3A时,推荐47µH电感;输入20V输出5V/3A时,推荐68µH。
关键参数:饱和电流必须大于芯片的峰值限流值,额定RMS电流需大于最大输出电流。
2. 输出电容 (Cout):
作用:滤波和提供负载瞬态电流。
示例:对于3.3V输出,推荐使用330µF/35V(电解电容)或220µF/10V(表面贴装钽电容)。对于其他输出电压电流的取值详细见下图:

3. 续流二极管 (D1):
选型:必须使用快速恢复或肖特基二极管。1A电流可选1N5819(40V),3A电流可选SK34或SR304(40V)。其反向耐压应不低于最大输入电压。

4. 使能与延迟启动:
l EN引脚可通过简单RC电路实现上电时序控制,避免多路电源上电冲击。若无需关断功能,可将EN引脚直接接地。
l PCB布局与散热注意事项(至关重要):
散热设计:XBL1509在高负载工作时需要良好的散热。必须将芯片的裸露焊盘充分焊接在PCB的铜箔上,并通过多个过孔连接到内部或背面的大面积接地/散热层,这是降低热阻的关键。
l 噪声隔离:反馈(FB)走线应远离电感和二极管等噪声源,并直接连接到反馈电阻端采样。开关节点(Output引脚)的铜箔面积应加以控制,以减少对外辐射。
六、总结
XBL1509以其40V宽压输入、3A持续输出、高集成度与固定频率PWM控制的经典架构,在机顶盒电源设计中展现出强大的实用性和可靠性。其多版本输出电压选项为设计提供了灵活性,而完善的保护功能和低待机电流则确保了系统的安全与节能。